







- Код товараGTM5011
- ПроизводительГамматест
- Гарантия12 месяцев
- Страна происхожденияКитай
(доступно на следующий день после согласования заказа)
- Рассчитать примерную стоимость доставки
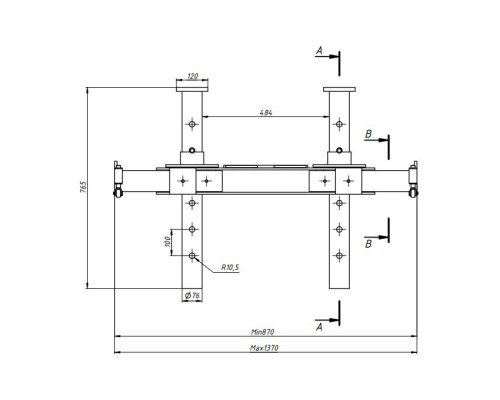
Опорная система для вывешивания передних осей грузового автомобиля 180 мм Гамматест GTM5011.
Единственным безопасным методом вывешивания автомобиля для работы на нем является использование опорных систем. Как только автомобиль безопасно вывешен на опорной системе, канавный подъемник становится свободным для других задач.
Особенности данной опорной системы:
Универсальность:
Благодаря полному открытию внутреннего пространства внутри этой системы подъемник может быть полностью сдвинут в одну сторону.
Наши опорные системы производятся специально для существующих конструкций канав. Максимальная высота системы составляет 180 мм, поэтому она полностью убирается в конструкции канавы.
Высоко расположенные части автомобиля, например, рама, могут быть вывешены при помощи опорной системы и комплекта удлинителей.
Грузоподъемность систем - до 14 т. Она может применяться в различных рабочих канавах.
Эргономичность:
Конструкция очень легкая, поэтому ее просто передвигать по канаве.
Преимущества опорной системы Гамматест GTM5011:
Оснащена дополнительными подпружиненными колесами для удобства перемещения. При нагрузке подъемник садится на раму.
Внимание: Удлинители опорной системы могут применяться только максимум по две штуки одновременно!
Страна происхождения - Беларусь.
Нет отзывов об этом товаре.
Пока нет вопросов об этом товаре. Станьте первым!
Информация на сайте, включая изображения, описание и цены, носит исключительно информационный характер и не является публичной офертой в соответствии со ст. 405 ГК РБ. Изображения товаров могут отличаться от реальных. За актуальными данными (наличие, комплектация, цена) обращайтесь к менеджеру.